施工事例
施工事例 / Works
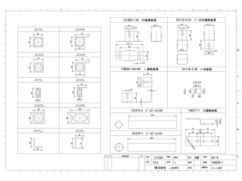
太陽光発電部材一覧
2014/05/30
太陽光発電部材一覧
  • 足場・土木工事事例
  • 太陽光発電事例
  • 設計図事例
  • 仮囲い