施工事例
施工事例 / Works
T様
2014/06/05
T様
T様
T様
T様
T様
  • 足場・土木工事事例
  • 太陽光発電事例
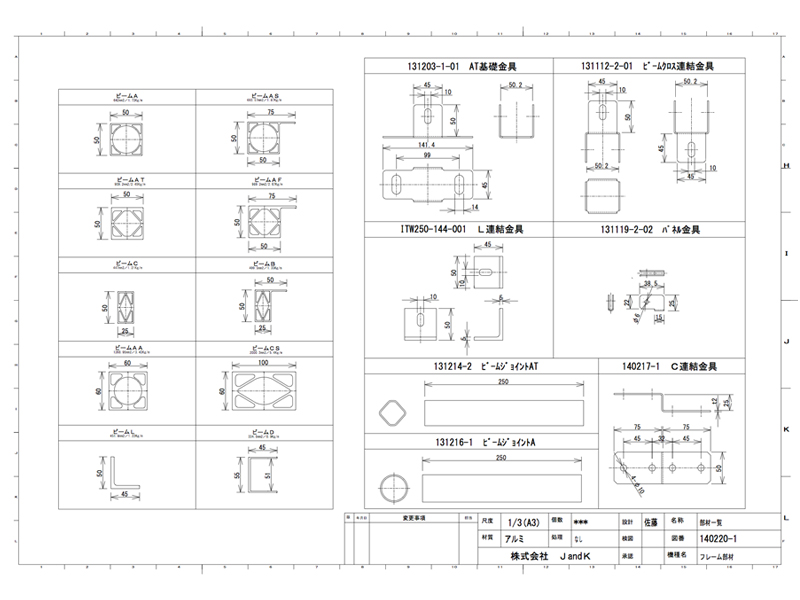
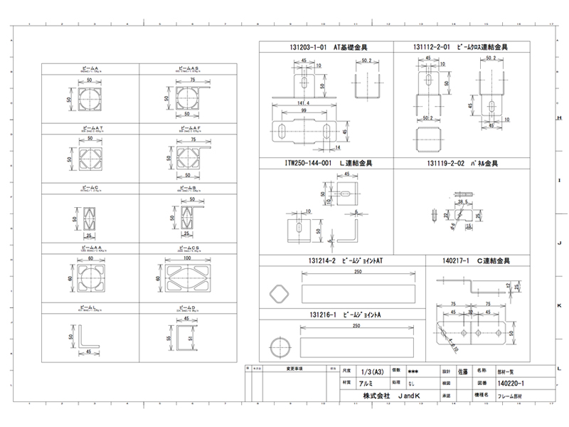
  • 設計図事例
  • 仮囲い